| 
搭铁点虚接,导致路虎揽胜行驶时仪表提示悬架故障
×
马上注册,你会发现世界您需要 登录 才可以下载或查看,没有账号?注册 
   
 
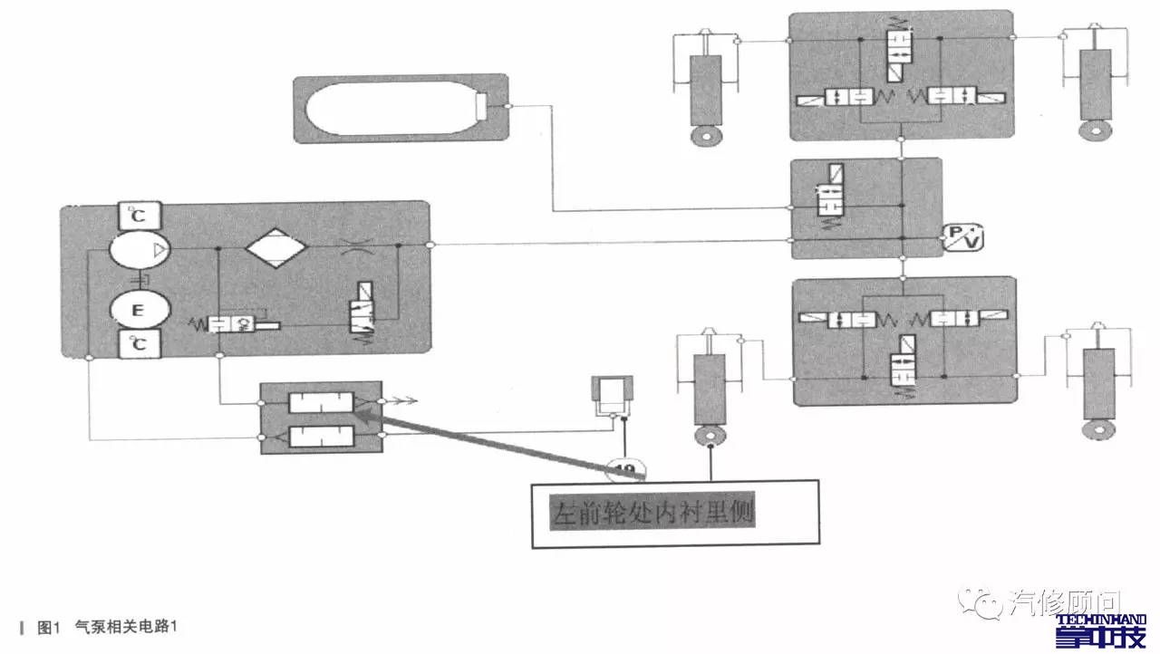
 故障现象: 一辆路虎车在正常行驶当中仪表提示悬挂故障,重新启动后故障消失,出现频率特别高。 故障诊断: 1.进行路试,未发现故障。从客户口中得知故障现象为无规律、无特殊路况行驶、无特殊操作等前提下出现故障。   2.使用SDD读取故障代码为C1A13-64:流道通风时压力不下降,根据故障提示通过实际检测和模拟可排除管路安装不当、排气阀控制线路无短路、断路,导管无阻塞损害、排气消音器无堵塞、压力传感器工作正常。   3.排除以上问题点后,重点就放到排气阀的开启情况和开启控制。   4.使用SDD读取数据流同时操作底盘升降得到以下数据:   排气阀开启度为100%;   排气阀开启电流为700mA;   储气罐阀开启度为100%;   储气罐阀开启电流为1.23A;   系统电压为12.95V与当前蓄电池电压相同。   5.在多次操作底盘升降时,每当悬挂降到最低时仪表都会提示悬挂系统故障,通过对排气阀控制线分别对地对正极以及互短的模拟,故障现象均不同,说明模组对排气阀的监控是正确的,比对其他车辆悬挂下降时排气阀除排气阀开启电流为900mA外其他数据均相同。在排查系统线路时,发现车身左前翼子板处的一处搭铁点有明显松动现象。 通过查找电路图得知该搭铁点为气泵控制回路接地点(C05617-1 ),如图1、图2所示。对其进行处理后再次读取数据流排气阀开启电流为880mA,同时故障现象不再出现。悬挂都可以降到最低,试车故障没有再出现。 左前轮处内衬里侧位置如图3所示。 故障原因分析:   排气阀开启是由RLM输出电流控制,电流的大小决定排气阀的开度,分析电路图可知模组供电电源与气泵供电电源同为继电器R225供给,由于气泵搭铁点虚接导致系统电流下降,从而影响模组对排气阀供给电流变小导致开度不足,排气受阻。 故障排除: 重新连接搭铁点,清除故障码,重新校正悬挂高度。 故障总结: 本故障在排查中首先查找机械和相关电路连接,排除可能性后立即考虑到控制电流对系统的影响,对数据流的疑点对比分析,发现问题并解决。 |