• 订单查询
  • 积分充值
  • 设为首页
  • 收藏本站
  • 简体中文 繁體中文 English 日本語 Deutsch 한국 사람 بالعربية TÜRKÇE português คนไทย Français

  • 只需一扫,快速开始

    登录 注册
  • 查看: 5995|回复: 0
    收起左侧

    掌中技2011别克GL8发动机抖动,发动机故障灯亮

    [复制链接]
    发表于 2021-1-14 07:54:25 | 显示全部楼层 |阅读模式

    马上注册,你会发现世界

    您需要 登录 才可以下载或查看,没有账号?注册   

    ×
    2011别克GL8发动机抖动,发动机故障灯亮




    车型:2011年上海通用别克GL8豪华商务车,配置:3.0L LFW发动机、6T50E自动变速器。
    行驶里程:136000km。
    故障现象:
    发动机抖动,发动机故障灯亮。
    故障诊断:
    首先确认故障现象,发动机故障灯点亮,发动机抖动,排气管有“突突”的排气不均匀现象,应是其中有汽缸存在失火。连接诊断仪,读取全车故障码,发现发动机控制模块存在两个故障码(如图1所示):P0203 汽缸3喷油器控制电路;P0300 检测到发动机缺火。

    150718749_1_20181228041356982.jpg

    图1 故障码


    通过查看发动机控制模块中“不点火数据”数据流,发现汽缸3当前失缺火次数在140次左右跳动,其余汽缸正常。
    对于LFW发动机,在维修实践中故障码报检测到发动机缺火,通常还会另有一个某缸缺火的故障(例如3缸缺火会再报一个P0303),多数为喷油器本身问题,点火线圈或火花塞很少出现故障。
    而此次在检测到发动机缺火外报喷油器控制电路故障,有可能是线路问题,或者是控制模块问题,也不排除是喷油器本身。
    拆下进气歧管后再将燃油导轨拆下,将3缸喷油器和5缸喷油器互换位置,然后读发动机控制模块故障码,结果无故障码。再将3缸喷油器和5缸喷油器位置换回来,还是无故障码存在。将发动机装复,着车发动机不再抖动,也无故障码再出现。经过路试,一切正常。估计是3缸喷油器存在卡滞现象,经过一装一拆卡滞消失。
    客户在用车三天后打电话说曾在停车时又出现了抖动现象,然后又一切恢复了正常。用诊断仪读取发动机控制模块的故障码,还是P0203和P0300。客户表示想再观察几天,看故障还再现不。结果仅开了两天,3缸持续性缺火。

    微信图片_20210114074714.jpg


    此时就想对喷油器的线路做一个 测 量 , 本 着 由 简 到 繁 的 原 则 先检 查 下 发 动机 控 制 模 块 的 插 头 ,发动机控制模块总共有3个插头,结果在拔下最下面那插头时发现此插头锁止机构已经丢失(如图2所示 ) 。 无 锁 止 机 构 插 头 预 紧 力 有限,容易导致接触不良,大概率是这插头的问题了。
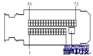
    在实物中3个插头针脚固定夹的颜色是不一样的,分别对应发动机控制模块上插头的颜色,因此不会插错。在维修资料里,发动机控制模块上的3个插头分别被命名为X1、X2、X3,其端视图是一样的,都是有73个针脚。可维修资料中并没有标注插头的颜色(如图3所示),也就不能直接和实物对应上,通过喷油器线路图(如图4所示)得知喷油器控制和发动机控制模块的X3插头相关,因此不能确定上面的插头是X3还是下面的插头是X3。

    150718749_3_20181228041357138.jpg
    图3 X1端视图资料


    将损坏的插头上各针脚导线颜色和资料中各插头导线颜色比对,也不能确定3个插头的定位(通用车线路图针脚位置和导线颜色和实物有差异比较常见)。根据此车目前的状态先认为损坏的插头是X3了。

    150718749_4_20181228041357200.JPG


    更换损坏的插头(不是剪断导线换,可以将导线一根根地移过去),装复后再打车,发现发动机依然抖动,故障灯亮,读取发动机控制模块故障码(如图5所示),发现由“3缸喷油器控制电路”变成了“6缸喷油器控制电路”。再次装一遍发动机控制模块的各连接器,竟然着不了车了。
    经检查发现发动机控制模块上面的插头有一端未到位翘起迹象。莫非这个插头才是X3?如果这样的话那更换的最下面的插头就是X1了。

    150718749_5_20181228041357310.JPG
    图5 故障码


    以X1插头为参照和X2插头、X3插头导线资料的仔细比对,发现X1插头73号脚搭铁线颜色为紫罗兰色/蓝色(VT/BU),而X2插头和X3插头均为黑色/白色(BK/WH),再结合大气压力传感器和空调制冷剂压力传感器导线的针脚(见图3中4、5、6号脚)和颜色,最终确定发动机控制模块最下面的插头为X1插头,而最上面插头为X3插头(如图6所示)。

    150718749_6_20181228041357450.JPG
    图6 插头定位


    经过反复安装X3插头,发现其预紧阻力较X2、X1插头大,且很难安装到位(不太明显,仔细观察才能看出来),总是出现各种故障码,应是曾经不规范维修导致插头损伤所致。最后又更换X3插头,故障彻底排除。


    回复

    使用道具 举报

    您需要登录后才可以回帖 登录 | 注册   

    本版积分规则

    QQ|Archiver|手机版|小黑屋|台州市汽修酷网络科技有限公司 ( 浙ICP备15024031号-1 )

    浙公网安备 33100202000768号

    Powered by Discuz! X3.5 LicensedComsenz Inc.

    快速回复 返回顶部 返回列表